#INTRO
이전 글들의 아이디어를 채용해서 3D 모델을 만들었다.
전체 파일은 CATIA파일인데 3D로 출력할 땐 STL을 사용해서 STL로 올려본다.
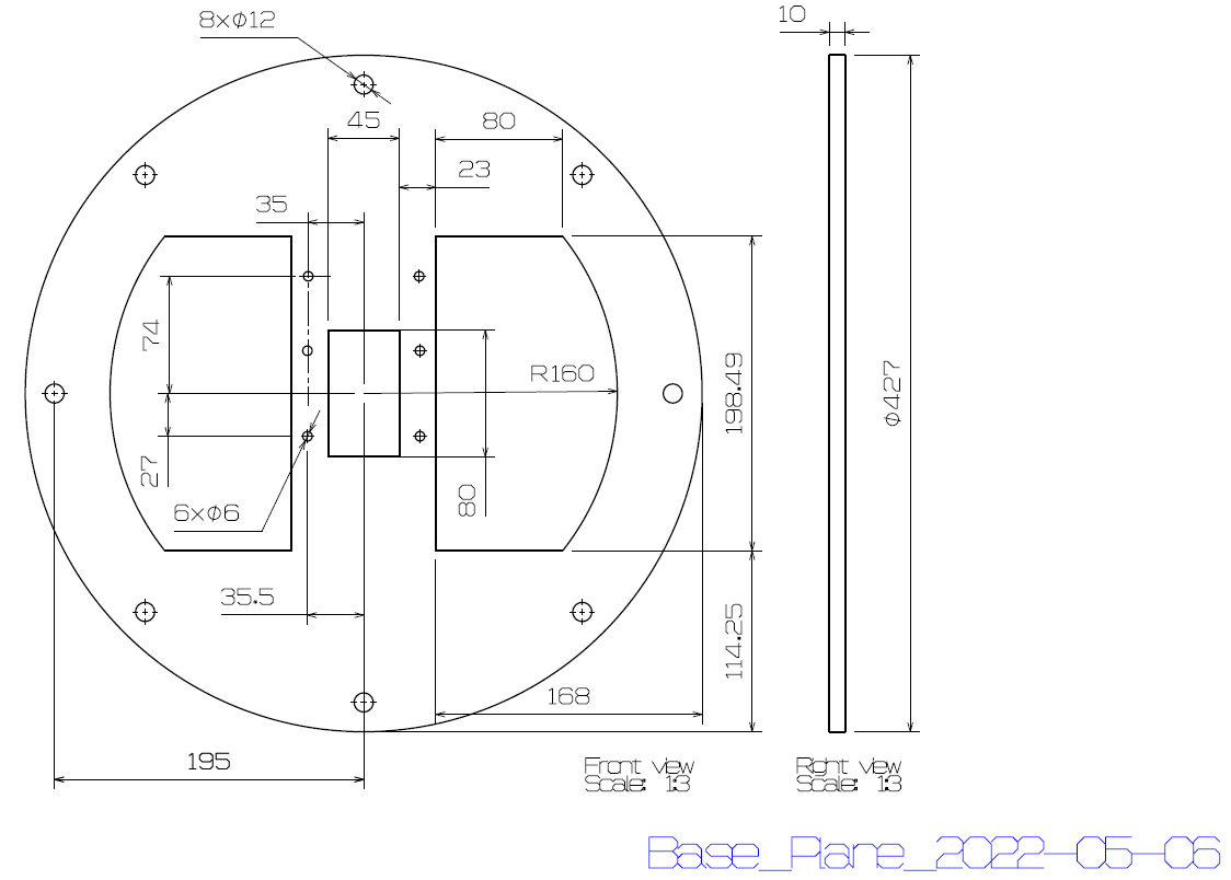
1. Base Plane
재료들은 전부 학교에 굴러다니는, 혹은 아파트에 버려진 재료들을 주어다가
가공해서 만들어서 크게 규격이 없었다.
실제 제작에서는 처음 10t 짜리 아크릴판이 파손돼서
아파트 단지에 굴러다니는 나무합판과
5t짜리 아크릴판을 볼트&너트(와셔)로 체결하여 제작 하였다.
상세 도면은 아니지만, 필요한 정보들을 간략히 표현하면,

치수선이 굉장히 지저분한데, 상세 도면을 제도할 필요가 사실 없다고 판단하여
작업자(친구들)에게 편할 수 있는 치수들 위주로 간략하게 표현했다.
근데 생각해보니 실물 제작할 땐 A3용지에 1:1 비율로 출력해서 홀 위치와
중간 홈, 양쪽 날개(?) 홈 부분만 체크하면 그만이어서 펜으로 마킹 후
전부 손수 그라인딩 하여 1시간 안에 완성시켰다.

Base_Plane만 단품으로 있는 사진이 없어서 Sub_Assy로 사진을 대체했다.
2. Motor 선정
사실 이 부분이 가장 역학적으로 신경 쓸게 많은 부분 아닌가 생각한다.
내가 결국 원하는 힘이 얼마인가가 가장 중요한데, 초기 아이디어 회의 때 생각한 중량은 대략
15kg 정도였다.

바퀴가 총 6개 이므로 안전한 설계를 위해 바퀴 개당 받는 하중이 3kg라 가정
대략적인 모터의 스펙을 결정했다.
그러고 나서 모터의 스펙을 쭉 나열해서 비교해 보는데
일반적인 Gear 모터는 힘은 좋으나,
공간을 너무 많이 잡아먹고, 가격도 말도 안 돼서 고민하던 중
집에 가려고 전동 킥보드를 탔는데, 어? 싶었다.
그래서 바로 전동 킥보드용 BLDC 모터를 검색해보니,
반값에 크기도 딱 알맞아서 바로 채택했다.
기타농기계/농기구 ₩89,800
고출력 고토크 BLDC 인휠 모터 BL14250W DC36V 250W 56Kgf.cm
item.gmarket.co.kr
그리고 해당 사이트에서 제공하는 모터 드라이버도 같이 구매했다.
기타농기계/농기구 ₩79,900
BLDC 드라이버/컨트롤러 BLC-301 DC12V-24V 30A
item.gmarket.co.kr
드라이버는 12~24V인데 휠이 36V인 게 조금 의아했지만, 이에 대한 공부는 따로 하지 않아서
제대로 된 설명은 하지 못하는 것이 아쉬울 따름이다.
이렇게만 해도 벌써 34만 원이어서 아 비싸게 제작되겠다 싶었는데, 주변을 둘러보니 있을 건 다 있었다.
배터리까지 구입하고 나니 44만 원 정도 지출이 들었고, 나머지는 전부 학교에 있는 걸로 만들게 됐다.
3. 3D PRINTING
이게 가장 문제였는데, 교내에 있는 프린터의 품질이 그렇게 좋진 않았다. 대표적인 예시로 Hole과 Shaft의 공차였는데
어느 정도의 오차를 보였냐면.

매 측정 시기마다 다르고, 또 밀도 값마다 다른 거 같아서 이를 해결하고자 PLA밀도는 60% 고정을 하고
이상적인 체결 형태는 헐거운 값으로 설정하였다.

0.5mm 단위로 전부 출력해보고, 내가 필요한 Shaft 치수는 절단하여 Hole에 끼워 넣어 보며 공차 값을 조정했다.
그래서 Shaft를 원하는 값에서 +0.3mm 키워서 출력하고 Hole의 치수는 건들지 않았다.
그리고 기어에서 가장 중요한 건 중심거리 치수인데,

잘 보면 웜기어 양옆으로 끼워진 Supporter들이 1mm씩 공중에 떠있는 걸 볼 수 있다.
이것 또한 3D Printer로 생산시 전체 두께가 조금씩 증가한다는 것을 고려하여 설계한 것인데,
윗부분만 1mm씩 띄우면, 전체 조립에서 아무 문제없이, 또 안정적이게 꽉 물려서 잘 돌아가는 것을
확인할 수 있었다. (한방에 해결돼서 럭키)
생산은 이쯤 하면 다 정리된 것 같다.
다음 글은 제어 부로 넘어가려 한다.
'Capstone-Design' 카테고리의 다른 글
| Capstone Design. #1-3 제어 외 최종 결과물 (0) | 2022.06.28 |
|---|---|
| Capstone Design. #1-1 생각한 것 만들어 보기 (0) | 2022.06.23 |